2006-08-22

ICOM TX PRE BUFFER DESIGNS

Purpose

The purpose of this web page is investigate how ICOM has designed the pre TX buffer circuit in other newer HF and VHF transceivers, i.e. not IC-746ers and IC-756ers.

If you have the schematics please send to me and I will investigate and publish here.

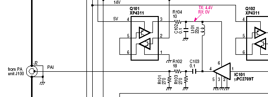
ICOM IC-703

In the ICOM IC-703 the pre TX buffer is IC101, µPC2709T. This MMIC comes from the same family as the µPC1678G does. It can be seen that in the IC-703 the supply voltage to the TX pre driver is TX-switched so that IC101 is only on when transmitting.

ICOM IC-703 TX pre buffer circuitry. Source: ICOM IC-703 Service Manual.

ICOM IC-706MKIIG

In the ICOM IC-706MKIIG the pre TX buffer is IC231, µPC2709T. This MMIC comes from the same family as the µPC1678G does. It can be seen that in the IC-706MKIIG the supply voltage to the TX pre driver is permanently connected to 5 V. The device is similar to the one in the IC-703 which does not have the same tendency to malfunction. Perhaps different grounding area and heat transfer in the radio.

ICOM IC-706MKIIG TX pre buffer circuitry. Source: Curtsey Erik, OZ1ES.

 


Bo, OZ2M, www.rudius.net/oz2m